你的位置:中国11选五官方网站 > 产品展示 > 细胞成像的超级“放大镜”——4Pi-SIM
发布日期:2025-01-25 23:33 点击次数:126
大家好!今天来了解一篇4Pi-SIM显微镜研究——《Elucidating subcellular architecture and dynamics at isotropic 100-nm resolution with 4Pi-SIM》发表于《nature methods》,它将3D-SIM与干涉显微镜结合,实现各向同性100nm分辨率。通过改进设计,如采用对称布局、水浸物镜等提升稳定性,能在固定和活细胞中清晰成像,展示亚细胞结构和动态变化。其在多种细胞样本成像中表现优异,虽存在样品厚度限制等问题,但仍在细胞生物学研究中具有广阔应用前景,有望助力深入探究细胞奥秘。
*本文只做阅读笔记分享*
一、引言
在细胞生物学领域,深入探究活细胞的三维行为及动态变化,对于揭示细胞过程的奥秘和生命的基本要素至关重要。荧光显微镜作为常用工具,虽具分子特异性且适用于活细胞样本,但分辨率受光衍射限制,难以清晰分辨小于200nm的细胞特征。而超分辨率技术的出现改善了这一状况,其中结构化照明显微镜(SIM)具有与传统荧光团兼容、光毒性低和成像速度快等优势。在此背景下,4Pi-SIM应运而生,它在3D-SIM基础上进一步改进,通过协同3D-SIM与干涉显微镜,实现了各向同性光学分辨率,为亚细胞结构和动力学研究带来新突破。
二、4Pi-SIM的技术原理
(一)分辨率提升机制
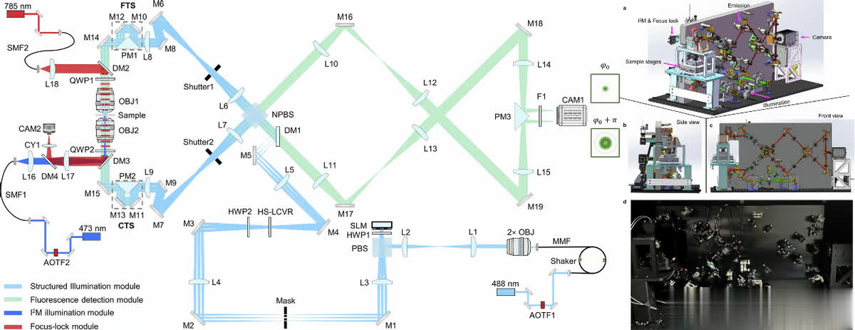
4Pi-SIM通过六个照明光束在样本平面干涉以及两个物镜检测到的荧光波前相干组合来实现各向同性三维分辨率。在空间频率空间中,其照明OTF与检测OTF支持卷积,产生有效4Pi-SIMOTF,从而提升分辨率。例如, OTF测量结果可清晰看到,4Pi-SIM相比3D-SIM和WF显微镜在分辨率上有显著提升。
(二)技术改进措施
1、稳定性优化
为提高稳定性,4Pi-SIM采用对称光学布局,核心光机组件置于单个垂直铝板上,减少热波动和机械振动对干涉腔(4Pi腔)的影响。例如,在实验中,这种布局确保了成像过程的稳定性,使得在长时间成像时仍能获取高质量图像。
使用水浸物镜替代油浸物镜,匹配水性样品折射率,降低相位误差。同时,重新设计的OPLD调整模块可快速精确微调OPLD至接近零,这对产生最大轴向条纹对比度至关重要。聚焦锁定模块则保证物镜在成像过程中始终精确对准。
2、调制对比度增强
在照明光束路径中,为保持六个输入光束的s偏振以最大化SIM分辨率扩展能力,采用HS-LCVR和QWP组合。然而,照明光路中的光学元件会导致s和p偏振光相位不等,使线偏振光退化为椭圆偏振光,降低调制对比度。为此,通过特定的光学元件布局,如将HS-LCVR与镜子的s偏振对齐,重新定位QWP,可补偿相位差,有效改变照明光的偏振态。
3、OPLD估计与补偿
由于成像时保持4Pi腔OPLD为零极具挑战性,4Pi-SIM通过重新配置检测路径,同时捕获两个互补图像,利用其相位关系估计OPLD,并将其纳入图像重建过程。例如,在实际操作中,通过对两个检测干涉条纹的FT分析,可提取OPLD相关信息,进而合成与OPLD匹配的4Pi-SIMOTF库,用于补偿OPLD变化,减少轴向条纹伪影,提高图像质量。
三、4Pi-SIM的性能评估
(一)分辨率测试
为评估4Pi-SIM的分辨率,研究人员对100nm荧光珠进行成像,并测量其FWHM。从图1b-f可知,4Pi-SIM的轴向分辨率达102.2±4.6nm,横向分辨率为108.1±4.0nm,相比3D-SIM(轴向分辨率322.9±16.9nm,横向分辨率107.7±4.7nm)和WF显微镜(轴向分辨率561.6±10.9nm,横向分辨率246.7±4.3nm),分辨率提升显著。在对固定COS-7细胞中免疫标记的微管成像时,同样证实了4Pi-SIM在生物样本中能保持高分辨率。
(二)成像能力展示
1、固定细胞成像
4Pi-SIM在固定细胞成像中表现出色。在对固定HeLa细胞中线粒体的外膜成像时,成功描绘出其互连轮廓,而3D-SIM因轴向分辨率低,生成的轮廓呈轴向拉长状,WF显微镜则完全无法清晰呈现外膜的中空结构。
在对固定COS-7细胞中免疫标记的波形蛋白成像时,4Pi-SIM能够有效区分交织的纤维,3D-SIM则常将不同纤维误判为轴向连接结构。
此外,对培养的原代神经元中免疫标记的βII-血影蛋白以及小鼠精母细胞核中减数分裂前期粗线期的联会复合体成像,均展示了4Pi-SIM在分析复杂三维结构方面的卓越能力。
2、活细胞成像
利用水浸物镜,4Pi-SIM可对活细胞进行时间推移体积各向同性成像。例如,在对活HeLa细胞中的线粒体成像时,清晰捕捉到线粒体膜的动态行为,包括形状变化、纳米隧道形成以及融合和裂变过程。
在对活COS-7细胞中的细胞骨架成像时,观察到微管生长和肌动蛋白丝的多种动态重塑事件,如肌动蛋白斑点结构的形成与消失、丝状伪足中肌动蛋白丝的重新分布和收缩等。
3、双色成像
4Pi-SIM通过采用大斯托克斯位移荧光蛋白dCyOFP2s与绿色荧光蛋白结合,实现了用单个激发波长进行双色成像。在对活HeLa细胞中内质网和线粒体的双色成像中,观察到二者在特定区域的频繁相互作用,如内质网与线粒体纳米隧道的接触,以及线粒体在接触位点的融合和裂变事件。
在对活COS-7细胞中内质网和微管的双色成像中,展示了二者复杂的交织和动态相互连接。
四、4Pi-SIM的优势与局限
(一)优势
4Pi-SIM实现了约100nm的三维各向同性分辨率,能够详细呈现从细胞骨架到各种膜结构等广泛的亚细胞结构,为细胞生物学研究提供了前所未有的清晰度和细节。
可对活细胞进行长时间、高速率的成像,且对细胞毒性低,与多种荧光蛋白和常规荧光团兼容,适用于多种生物样本的研究。
具备双色成像能力,为研究细胞器间的相互作用提供了有力手段,有助于深入理解细胞内的生理过程。
(二)局限
目前4Pi-SIM受样品厚度限制,通常适用于厚度小于10μm的样品。这主要是由于其采用的宽场照明方式易导致背景干扰,且双物镜干涉成像对生物样本的折射率不均匀性敏感,会产生光学像差,降低图像质量。
双色成像性能受长斯托克斯位移荧光蛋白的选择和特性限制,目前多色成像能力有待进一步拓展,以满足更复杂的生物学研究需求。
五、4Pi-SIM的应用前景
4Pi-SIM在细胞生物学研究中具有广阔的应用前景。它有望推动对亚细胞结构动态变化、细胞器间相互作用以及细胞生理过程分子机制的深入研究,为揭示生命奥秘提供更多重要线索。随着技术的不断发展和改进,如解决样品厚度限制、拓展多色成像能力等,4Pi-SIM将在细胞生物学领域发挥更大的作用,助力科学家们取得更多新的发现。
六、一起来做做题吧
1、4Pi - SIM 实现各向同性三维分辨率的关键在于( )
A. 单个物镜的高数值孔径
B. 六个照明光束和两个物镜检测荧光波前的干涉
C. 特殊的荧光标记方法
D. 增加照明光的强度
2、在对 100nm 荧光珠成像时,4Pi - SIM的轴向分辨率相比 3D - SIM 提高了约几倍?( )
A. 1倍
B. 2倍
C. 3倍
D. 4倍
3、在活细胞成像中,4Pi - SIM 观察到线粒体的动态行为不包括以下哪一项?( )
A. 形成纳米隧道
B. 与内质网融合
C. 分裂为多个小线粒体
D. 从杆状转变为凹盘状
4、以下哪一项不是 4Pi - SIM 的优势?( )
A. 实现各向同性高分辨率成像
B. 可进行长时间活细胞成像
C. 对样品厚度无限制
D. 能进行双色成像
参考文献:
Ouyang, Z., et al. Elucidating subcellular architecture and dynamics at isotropic 100-nm resolution with 4Pi-SIM. Nat Methods (2024).
上一篇:没有了
下一篇:没有了
Powered by 中国11选五官方网站 @2013-2022 RSS地图 HTML地图
